2008 - Volume #32, Issue #3, Page #11
[ Sample Stories From This Issue | List of All Stories In This Issue | Print this story
| Read this issue]
Air-Powered Oiler
![]() |
"It's a lot cleaner than using oil pitchers and funnels and great for getting into hard-to-reach places," he told FARM SHOW.
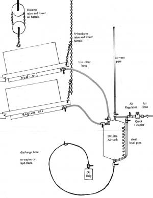
He hangs barrels of oil from the ceiling of his shop on metal frames that are hinged at one end and attached to chains at the other. This makes it easy to lower the end of the barrel to completely drain out all the oil.
He used a "carry air" portable tank to make an oil reservoir, running a clear plastic tube up one side with measured levels marked on the sides. That way he simply pours a measured amount of oil into the small tank from the barrels, the closes the barrel valves and opens the air valve to push oil out to a length of tubing. He uses approximately 20 psi. An air regulator is needed where air goes into the tank. An air vent tube goes out the top.
"I used 1/4-in. valves and fittings for the air components and level pipe. The fittings and valves from the barrels to the air tank are 3/4 in. with 1-in. dia. clear plastic pipe fit over the 3/4-in. fittings. The discharge pipe is fitted with 3/8-in. valves and fittings. An extension on the discharge pipe is needed for larger machinery, like combines. The end of the discharge hose hangs in a drip can attached to the wall."
Contact: FARM SHOW Followup, Melvin Penner, P.O. Box 123, RR 1, Rd. 31E, Ste. Anne, Manitoba, Canada R5H 1R1 (ph 204 355-4479).

Click here to download page story appeared in.

Click here to read entire issue
To read the rest of this story, download this issue below or click here to register with your account number.


